TRITON Vertikálna lišta 47U, cena za 1ks
Kód:
1030675
Záruka:
24 Měsíc(ů)
Popis a parametre
TRITON Vertikálna lišta 47U, cena za 1ks
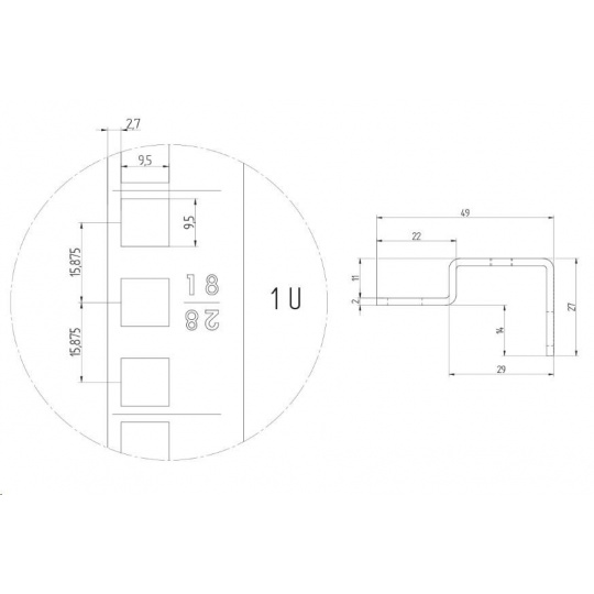
Vertikálna lišta 47U.
jednotky sú označené laserovou značkou.
..
ParametrePridať do porovnania
Typ příslušenství
Podstavce, lišty
TRITON Vertikálna lišta 47U, cena za 1ks
Naposledy navštívené





